Описание
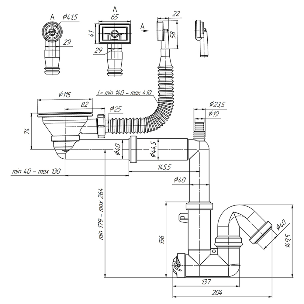
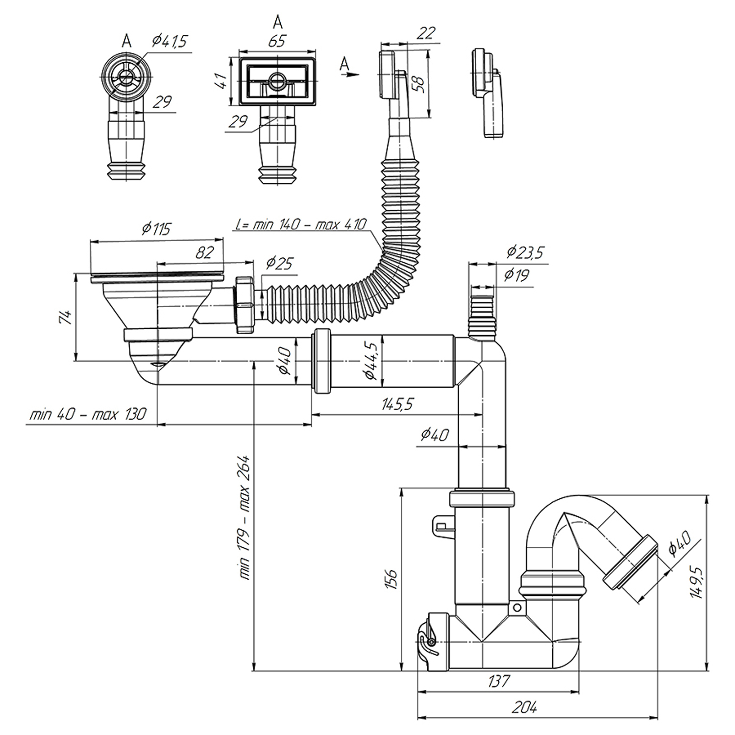
Сифон для мойки АНИ Пласт F серия F5345S — это современное и функциональное решение для организации слива воды на кухне. Диаметр подключения составляет 3 1/2 дюйма, а диаметр выпуска — 40 мм. Особенностью данной модели является смещенная конструкция, позволяющая экономить пространство под мойкой, гибкий перелив для предотвращения переполнения и отвод для подключения стиральной машины. Сифон изготовлен из прочных и долговечных материалов, устойчивых к воздействию влаги, бытовой химии и высоких температур, что гарантирует долгий срок службы и надёжную работу.Преимущества сифона для мойки АНИ Пласт F серия F5345S:Смещенная конструкция позволяет экономить пространство под мойкой, что особенно актуально для небольших кухонь.Гибкий перелив предотвращает переполнение мойки, защищая от протечек и повреждений.Отвод для стиральной машины позволяет удобно и безопасно организовать слив воды от бытовой техники, экономя пространство и упрощая подключение.Простая установка не требует специальных навыков и инструментов, что экономит время и средства на вызов сантехника.Прочные и долговечные материалы обеспечивают долгий срок службы и надёжную работу, минимизируя необходимость в замене и ремонте.
Характеристики
Бренд
Ани пласт
Назначение
Для мойки/раковины
Категория
Сифоны
Материал
Пластик/металл
Подкатегория
Сифоны
Цвет
Серый,
Белый
Подключение к канализации, мм
40
Вид сифона
Прямоточный
Диаметр выпуска, дюйм/мм
3 1/2
Наличие носика
1
Тип товара Авито
Сифоны
Отзывы
Отзывов еще никто не оставлял
Выбрать
