Описание
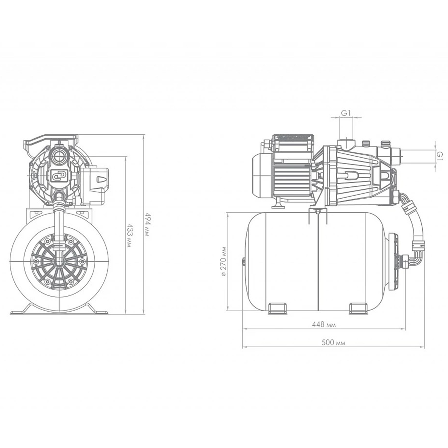
Насосная станция «ДЖАМБО» 60/35 П-24 (2.0) создана для автоматизированной подачи чистой воды из разных источников, также может быть использована для повышения давления при использовании в качестве источника магистрального водопровода.Область примененияНасосную станцию можно использовать как часть системы автоматического водоснабжения в частном доме. Забор воды может осуществляться из:открытых водоемов;колодцев и скважин;централизованного водопровода.Характеристики модели «ДЖАМБО» 60/35 П-24«ДЖАМБО» — название серии;60 — максимальный расход воды при свободном изливе в л/мин;35 — максимальный напор в метрах водяного столба;П — материал, из которого изготовлен корпус (высокопрочный инженерный пластик);24 — объем гидроаккумулятора в литрах.Преимущества модели «ДЖАМБО» 60/35 П-24 (2.0)Наличие заливного отверстия и отверстия для выхода воздуха с резьбововыми заглушками позволяет быстро заполнить водой насосную часть и избежать образование воздушных пробок, что облегчает первоначальный запуск насоса. В процессе залива вода сразу попадает в диффузор, корпус и всасывающую магистраль.Заменена соединительная арматура между насосом и гидроаккумулятором на шланг из сшитого полиэтилена с накидными гайками. Облегчает монтаж и замену гидроаккумулятора. Новая конструкция гидравлической части снижает риск возникновения воздушных пробок при работе.Наличие гидроаккумулятора позволяет защитить насос от частых пусков, тем самым увеличивая его срок службы. Он же позволяет поддерживать давление в системе, что обеспечивает бесперебойное водоснабжение потребителей в тот момент, когда насос отключается. Кроме поддержания давления в системе водоснабжения гидроаккумулятор позволяет предотвратить гидроудар.Встроенная тепловая защита. Функцию защиты от перегрева выполняет термопротектор, находящийся в обмотках статора. Как только температура обмоток повышается - электродвигатель отключается.
Характеристики
Бренд
Джилекс
Назначение
Для водоснабжения
Категория
Станции водоснабжения
Подкатегория
Станции водоснабжения
Объем бака, л
24
Мощность, Вт
620
Напряжение, В
220
Длина кабеля, м
0,8
Защита от перегрева
Да
Защита от сухого хода
Да,
Нет
Максимальная производительность, л/мин
60
Максимальный напор, м
35
Диаметр входного и выходного отверстий, дюйм
1 * 1
Максимальная температура жидкости, С
+ 35
Манометр
Да
Материал корпуса насоса
Инженерный пластик
Наличие обратного клапана
Нет
Отзывы
Отзывов еще никто не оставлял
Выбрать
